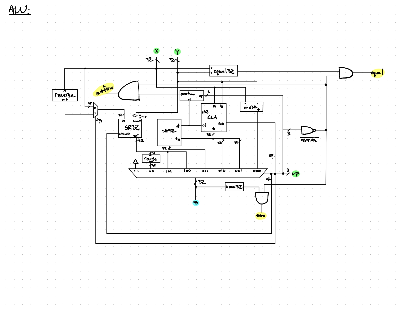
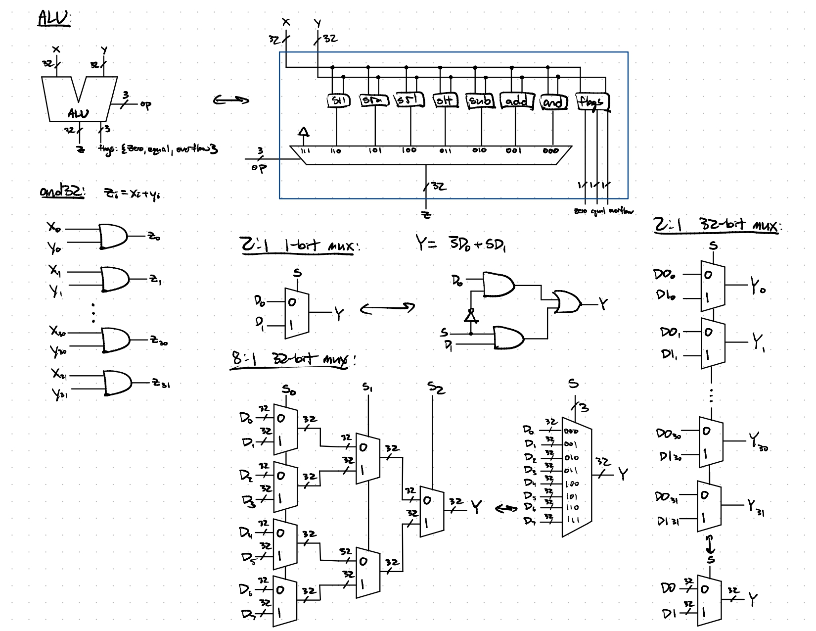
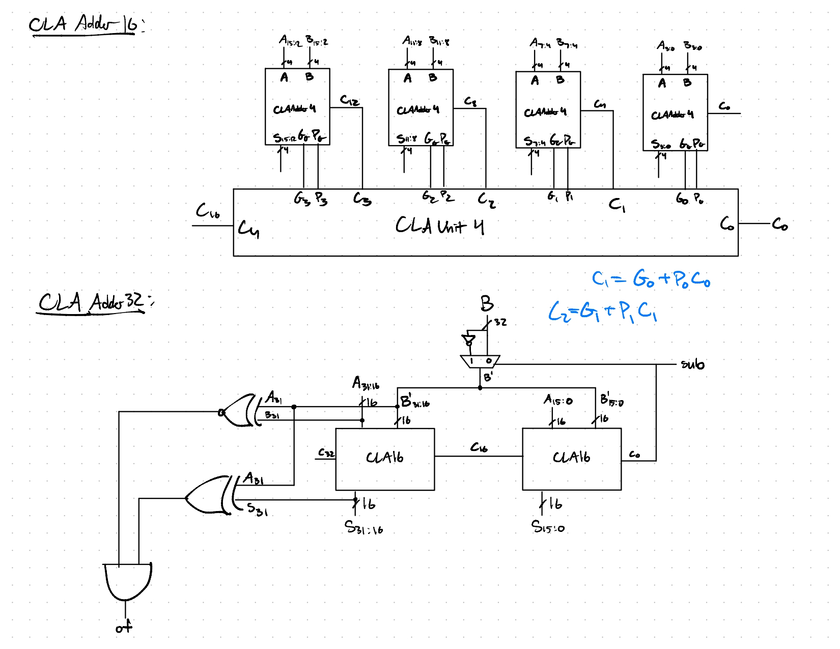
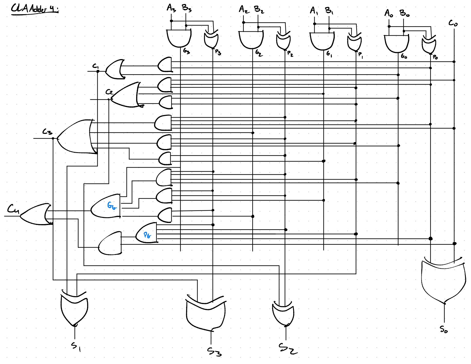
32-bit Arithemtic Logic Unit (ALU)
SystemVerilog
FPGA
Vivado

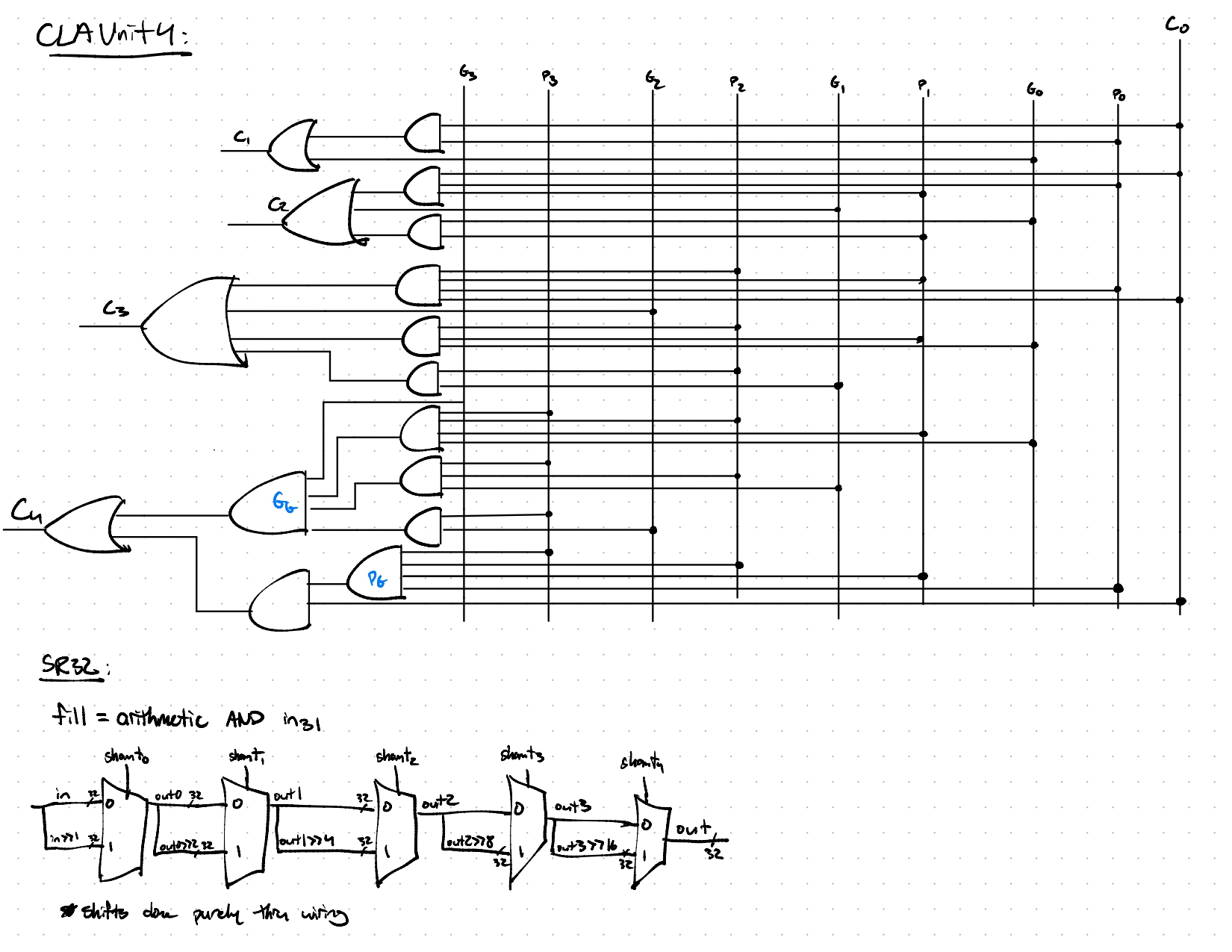
Created a 32-bit ALU with a carry-lookahead adder using structural Verilog supporting the following operations:
- addition
- subtraction
- logical AND
- set less than
- shift left logical
- shift right arithmetic
- shift right logical
- flags: zero, equal, overflow
Hierarchical modular design included creating 8-bit multiplexer, carry-lookahead adder stages and hierarchical units, shifter, and additional operation/output flag circuitry as submodules. Wrote circuitry and comprehensive tesbench for edge-case validation in Vivado. Design synthesized on Xilinx FPGA and uploaded to Python GUI for verification.





